邮箱

FTI34

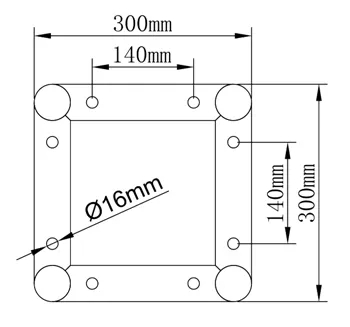
FTI34系列方螺栓桁架采用高强度EN AW-6082 T6铝合金制造,保证了耐用性和稳定性。规格300mm×300mm,有多种长度和连接选择,可为大跨度提供出色的承载能力。舞台,展览和活动结构的良好选择,其模块化设计允许易于组装,直但在大跨度连接时稳定,以及各种场景应用的可靠性能。

主管 50x3 毫米
副管 20x2 毫米
斜管 20x2 毫米
铝合金 EN-AW 6082-T6


产品规格
产品优势
跨度(米)4米6米8米10米12米
分布荷载(kg/m)250110624229
变形量(mm)920324558
点荷载(kg)485326250210175
变形量(mm)617293542
  • 高强度材料 – 采用EN AW-6082 T6铝合金制造,具有卓越的耐用性和耐腐蚀性。

  • 标准尺寸 – 与全球行业标准系统兼容,便于安装。

  • 优异的负载能力 – 为中载应用设计,提供安全可靠的结构稳定性。

  • 螺栓连接 – 确保精确对准、安全组装和易于维护。

  • 模块化多功能设计 – 适用于舞台、灯光架、展位和小型顶棚系统。

  • 经济高效的运输和存储 – 可拆卸部分可节省空间和处理成本。

  • 专业外观 – 简洁的设计适合室内外活动设置。

WTC项目案例

【智构桁架】"Kingston Calling 2026"巡演—惠灵顿站
【智构桁架】"Kingston Calling 2026"巡演—惠灵顿站
英国UB40作为享誉全球的雷鬼流行乐队,凭借《Red Red Wine》《Can't Help Falling in Love》等经典作品风靡世界。在「Kingston Calling 2026」全球巡演惠灵顿站的演出中,乐队对舞台声学效果与结构安全提出了极高要求——既要保证观众清晰聆听雷鬼节奏的浑厚质感,又要实现快速搭建与长途运输的高效性,这为专业舞台桁架的应用提供了典型场景。在本次巡演
查看详情
【智构桁架】新西兰 Festival One音乐节
【智构桁架】新西兰 Festival One音乐节
Festival One 是新西兰规模最大的基督教音乐节,主打音乐、艺术、信仰与露营聚会,音乐演出阵容由国际+新西兰本土乐队/歌手组成,是一个结合了大型音乐节和户外露营社群体验的文化活动。此次音乐节的舞台桁架、含LED背景架及延伸系统主要使用TT45系列桁架(立柱)、TS54系列桁架(横梁)、TT SB(套筒座)、TT BP(底座)以及系列配件。这款横梁采用定制的TS54插销式直架,内置五根加强主
查看详情
【智构桁架】智构桁架助力日本环球影城
【智构桁架】智构桁架助力日本环球影城
日本环球影城(Universal Studios Japan, USJ)是世界级的主题乐园,以其高度还原的电影场景、惊险刺激的游乐设施和沉浸式体验享誉全球。在其持续的扩建与焕新工程中,对核心支撑结构——尤其是展览馆、游客密集区及标志性景观的桁架系统,提出了极高的安全、精度与美观要求。在本项目中,智构桁架WTC提供了多个桁架系统造型,这些造型主要由F34、HT64系列插销式桁架,以及多款定制的桁架和
查看详情
【智构桁架】智构桁架助力《莫里哀》音乐剧巡演,见证舞台非凡时刻!
【智构桁架】智构桁架助力《莫里哀》音乐剧巡演,见证舞台非凡时刻!
法语原版音乐剧《莫里哀》首次在中国震撼亮相,于广州、苏州等多座城市巡演,凭借其经典魅力与现代演绎,演出场场座无虚席。此次演出不仅是经典的呈现,更是融合现代戏剧美学与舞台技术的视听盛宴。作为此次巡演值得信赖的合作伙伴,智构桁架为演出提供了重要结构支持。我们特别为剧场定制了2组跨度长达20米的灯光桁架系统,其核心采用了我司热销的F34插销式铝合金桁架。该型号产品以其卓越的稳定性与优异的负载性能,品质与
查看详情
【智构桁架】助力“你好,同学”校园青春歌会
【智构桁架】助力“你好,同学”校园青春歌会
仲夏的天津,音符随海河的风激荡。 “你好,同学”校园青春歌会现场,青春的热力与音乐的激情相互碰撞,智构桁架 热销产品“C-Body移动灯阵桁架”亦参与其中,结合灯光设计大大提升了舞美的层次感、多样性,完美烘托了不同音乐篇章的力量,赢得观众盛赞。(现场图频来源:天津盛汇文化)C-Body移动灯阵桁架是一款快速组装使用的标准锥形快锁连接,由我司单管(50x2mm)和配件组成,在设计上可以最大限度悬挂1
查看详情
【智构桁架】山东同乐戏院项目
【智构桁架】山东同乐戏院项目
同乐戏院,位于山东省威海市,是首个360沉浸式数字体验戏剧场。作品《栖霞街》在此隆重上演,剧中通过虚拟影像与真人表演,打造出时空交错的场景,为观众带来多层次的视听体验。表演中悬挂灯具采用的是我司的方通螺丝架,规格为(300×300)mm,主管(50×3)mm,副管和斜管均为(25×5)mm,总长67米,定制黑色表面喷涂。
查看详情
深入了解WTC
服务问题

我们不仅是高品质舞台桁架的制造商,更拥有专业的研发团队和工程师,致力于为您量身打造解决方案。、

产品问题

提供各种规格和所需长度的标准桁架、结构设计、巡演桁架、舞台设备及配件等。

通过我们的联系表单随时与我们联系。


我们支持提供业内最优质的服务,致力于为您提供更多信息、解答您的疑问,并为您量身定制解决方案。


电话:
+86-2039973797
地址:
广州市番禺区石碁镇海涌路115号之一
黎小姐 Adriana Lai
区域销售经理
+86 188 1886 9835
sales2@worldtruss.com.cn
广东、北京、天津

冼先生 David Zeon Sinn
区域销售经理
+86 138 2218 3797
sales3@worldtruss.com.cn
山东、山西、陕西、黑龙江、吉林、辽宁、内蒙古、河北、河南

冯先生 Ken Von
区域销售经理
+86 139 2880 8261
sales4@worldtruss.com.cn
江苏、上海、浙江、福建、江西、安徽、宁夏、西藏

卢小姐 Lu Chun Yan
区域销售经理
+86 137 1144 2814
sales6@worldtruss.com.cn
广西、海南、重庆、四川、云南、贵州、湖南、湖北、新疆、甘肃
地址:
广州市番禺区石碁镇海涌路115号之一
Email:
sales1@worldtruss.com.cn
Phone
+86-2039973797